BSF - Bahn- und Spurführung: Unterschied zwischen den Versionen
Aktualisierung auf WiSe23/24 und Neustrukturierung |
|||
| Zeile 4: | Zeile 4: | ||
→ zurück zum Hauptartikel: [[Praktikum_SDE|Praktikum SDE]] | → zurück zum Hauptartikel: [[Praktikum_SDE|Praktikum SDE]] | ||
==Einleitung und Ziel== | ==Einleitung und Ziel== | ||
Die Bahnplanung und Spurführung des [[Praktikum SDE|SDE-Praktikums]] umfasst die Arbeitsbereiche Bahnplanung, Längs- und Querregelung. Das Ziel ist es mit den Ergebnissen der [[OSE - Objekt - und Spurerkennung | Objekt und Spurkerkennung]] und der [[Kom - Kommunikation | Kommunikation]] die Bahnplanung umzusetzen und das CCF durch die Strecke zu führen. Dafür wird aus dem Spurpolynom die zu fahrende Geschwindigkeit und Richtung abgeleitet und an die Aktoren weitergegeben. Um möglichst genaue Ergebnisse zu erzielen, muss die Geschwindigkeit und die Richtung geregelt werden. Für den Hauptantrieb des CCF ist die Längsregelung verantwortlich, für die Lenkung die Querregelung. | |||
Das Thema | Das Thema Längsregelung beinhaltet folgende Aufgaben: | ||
*Messen der Istgeschwindigkeit | |||
*Analyse Istgeschwindigkeitssignal | *Analyse Istgeschwindigkeitssignal | ||
*Regelung längs | |||
Das Thema Querregelung beinhaltet folgende Aufgaben: | |||
*Analyse Gierrate | *Analyse Gierrate | ||
*Regelung quer | *Regelung quer | ||
*Querführungskonzept anhand des Spurpolynoms | |||
*Parametrisierung des Einspurmodells (ESM) | |||
Darüber hinaus gehört das Verhalten an Stopplinien zu den Aufgaben der | |||
Darüber hinaus gehört das Verhalten an Stopplinien zu den Aufgaben der Bahnplanung.<br> | |||
Hierzu gehören folgende Aufgaben: | Hierzu gehören folgende Aufgaben: | ||
*Reduktion der Geschwindigkeit bei erkannter Stopplinie | *Reduktion der Geschwindigkeit bei erkannter Stopplinie | ||
| Zeile 23: | Zeile 25: | ||
*Wiederanfahrt nach erkennen einer freien Kreuzung und Ablauf der Wartezeit | *Wiederanfahrt nach erkennen einer freien Kreuzung und Ablauf der Wartezeit | ||
= | Ehemalige Mitwirkende: | ||
<div class="mw-collapsible mw-collapsed "> | |||
Im Sommersemester 2016 und im Wintersemester 2016/2017 wurde der Themenbereich von [[Benutzer:Marcus_Irmer|Marcus Irmer]] und [[Benutzer:Robin_Kirsch|Robin Kirsch]] bearbeitet. Die Dokumentation beruht auf der Vorarbeit von Daniel Block und Torben Petersen. | |||
Im Sommersemester 2018 wurde darauf aufbauend die Thematik von [[Benutzer:Benedikt_Wulowitsch|Benedikt Wulowitsch]] und [[Benutzer:Leonard_Herbstmann|Leonard Herbstmann]] bearbeitet. | |||
In den Anforderungen und auch dem Pflichtenheft für das SoSe 2018 wurde als Aufgabe die Optimierung der Regler vorgesehen. Diese werden im Sommersemester 2019 von [[Benutzer:Marcel_Broeckelmann|Marcel Bröckelmann]] validiert und die Pflichten fortgeführt. Im Wintersemester 2019/20 befassen sich | ||||| | |||
[[Benutzer:Marcel_Broeckelmann|Marcel Bröckelmann]],[[Benutzer:Thomas_Miska|Thomas Miska]], Christian und Isaac mit der Bahn- und Spurführung. | |||
</div> | |||
==Längsregelung== | |||
Die Längsregelung des Fahrzeugs erfordert eine exakte Bestimmung der Ist- & Sollgeschwindigkeit. Aus diesem Grund wird im Folgenden das Konzept zur ''Bestimmung der Istgeschwindigkeit'' und der ''Bestimmung der Sollgeschwindigkeit'' betrachtet. | |||
== | ===Konzept zur Bestimmung der Istgeschwindigkeit=== | ||
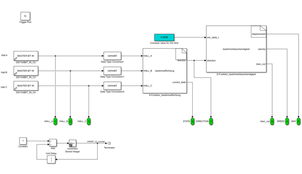
Die Geschwindigkeit des CCF wird mithilfe von [[Hall-Sensor | Hall-Sensoren]] erfasst. Drei Hall-Sensoren sitzen auf der Motorachse und lösen jeweils einen Interrupt der dSpace Entwicklungskarte DS1104 aus. | |||
[[Bild:Hall-Sensor Motor-Anschluss.PNG|200px|mini|Anschluss des Motors an den Motortreiber, mit dem Anschluss der Hall-Sensorik. Die Hall-Sensoren sind direkt mit der dSpace Karte DS1104 verbunden.]] | |||
Aus der Zeitdifferenz der Interrupts wird die Geschwindigkeit berechnet. Dies wird konkret mit Simulink-Blöcken aus der ''dSpace RTILib'' Bibliothek im dem Simulinkmodell ''CCF_online → SEN - Geschwindigkeit → SEN - Geschwindigkeit - Interrupt_Hall-Sensoren'' implementiert. <br> | |||
[[Bild:Online Sensor aktor test Sen Geschwindigkeit3.jpg|600px|thumb|left|Simulinkmodell SEN - Geschwindigkeit - Interrupt_Hall-Sensoren]] | |||
In der S-Function ''bestimmeGeschwindigkeit'' wird die Zeit der dSpace Karte DS1104 mit dem Befehl ''ts_time_read()'' ausgelesen und die Zeit des letzten Interrupts abgezogen. <br> | |||
Die ''zurückgelegte Strecke pro Interrupt'' wird durch die ermittelte Zeit geteilt. <br> | |||
== Geschwindigkeitsberechnung == | |||
Folgende Werte wurden empirisch festgestellt: | |||
[[ | Die Geschwindigkeit wird mit der Formel <math> v = \frac{s}{t} </math> bestimmt. [[https://de.wikipedia.org/wiki/Geschwindigkeit#Einfache_Sonderf%C3%A4lle Wikipedia)]] | ||
Die Strecke <math> s </math> ist bei einer theoretischen Berechnung der Radumfang des CCF. Da sich das Profil des Rades unter Belastung ändert, nehmen wir für den Raddurchmesser <math> 0,0621m </math> an. Der Radumfang ist damit <math> 0,0621m \cdot π ≈ 0,208m </math>. Der [[https://wiki.hshl.de/wiki/index.php/AF:_Laengsgeschwindigkeit_(SenVx)|Antriebsmotor LRP Vector X12 StockSpec 17.5T]] dreht sich 7 mal pro Radumdrehung, dabei werden 43 Hall-Flanken ausgelöst. Die Strecke pro Flanke ist damit <math> \frac{0,208m}{43} = 0,0048m </math>. | |||
| Zeile 44: | Zeile 56: | ||
Im Offline-Modus wird der Kameraparameter ''a'' aus der Position und der Richtung des im Einspurmodell simulierten Fahrzeugs berechnet. Die Parameter ''ESM_x_I_f64'' und ''ESM_y_I_f64'' beschreiben die Position des Fahrzeugs. Die Richtung des Fahrzeugs steht im Parameter ''ESM_psi_f64''. Der ''SenKam - Kamera''-Block des Offline-Modells wird in der Abbildung ''SenKam - Kamera (offline)'' dargestellt. | Im Offline-Modus wird der Kameraparameter ''a'' aus der Position und der Richtung des im Einspurmodell simulierten Fahrzeugs berechnet. Die Parameter ''ESM_x_I_f64'' und ''ESM_y_I_f64'' beschreiben die Position des Fahrzeugs. Die Richtung des Fahrzeugs steht im Parameter ''ESM_psi_f64''. Der ''SenKam - Kamera''-Block des Offline-Modells wird in der Abbildung ''SenKam - Kamera (offline)'' dargestellt. | ||
<br> | <br> | ||
<br>Die Sollgeschwindigkeit wird im Online-Modell und im Offline-Modell im Baustein "Berechnung V-Soll" ermittelt. Die nachfolgende Abbildung 2 zeigt diesen Baustein, sowieso seine Beschaltung mit Parametern. Die Eingänge des Blocks sind die Kameraparameter ''SenKam_SpurA_f64'' und ''SenKam_SpurB_f64'', die Vorausschauweite ''BsfQuer_Vorausschauweite_f64'' und eine maximal zulässige Querbeschleunigung ''PAR_BsfQuer_a_max''. Innerhalb des Subsystems ''Berechnung V_Soll'' wird zum einen der Kurvenradius der Bahnkurve in Abhängigkeit der Vorausschauweite berechnet. In Kombinatino mit der Querbeschleunigung und dem aktuellen Kurvenradius wird eine Sollgeschwindigkeit ermittelt, welche am Ausgang des Bausteins abgerufen werden kann. | <br>Die Sollgeschwindigkeit wird im Online-Modell und im Offline-Modell im Baustein "Berechnung V-Soll" ermittelt. Die nachfolgende Abbildung 2 zeigt diesen Baustein, sowieso seine Beschaltung mit Parametern. Die Eingänge des Blocks sind die Kameraparameter ''SenKam_SpurA_f64'' und ''SenKam_SpurB_f64'', die Vorausschauweite ''BsfQuer_Vorausschauweite_f64'' und eine maximal zulässige Querbeschleunigung ''PAR_BsfQuer_a_max''. Innerhalb des Subsystems ''Berechnung V_Soll'' wird zum einen der Kurvenradius der Bahnkurve in Abhängigkeit der Vorausschauweite berechnet. In Kombinatino mit der Querbeschleunigung und dem aktuellen Kurvenradius wird eine Sollgeschwindigkeit ermittelt, welche am Ausgang des Bausteins abgerufen werden kann. | ||
| Zeile 259: | Zeile 269: | ||
[[Datei:Veranderung der Geschwingigkeit mit den Regler PID.png|600px|mini|zentriert|Vergleich der Veränderung des Gaspedals, des P_Reglers und der Geschwindigkeit beim Regeln mit P-,I- und D-Regler]] | [[Datei:Veranderung der Geschwingigkeit mit den Regler PID.png|600px|mini|zentriert|Vergleich der Veränderung des Gaspedals, des P_Reglers und der Geschwindigkeit beim Regeln mit P-,I- und D-Regler]] | ||
Beim Fahren in der ganzen Strecke wird die Reaktionszeit verkürzt und ist die Änderung der Gaspedal und Ist-Geschwindigkeit immer ähnlicher. | Beim Fahren in der ganzen Strecke wird die Reaktionszeit verkürzt und ist die Änderung der Gaspedal und Ist-Geschwindigkeit immer ähnlicher. | ||
==Seiten aus vergangenen Semestern== | |||
Bei der Istgeschwindigkeit wurde auf den Ergebnissen der vorangegangenen Semester zurückgegriffen. | |||
Siehe Dazu: | |||
[[Analyse Istgeschwindigkeit]] <br> | |||
==Querregelung== | ==Querregelung== | ||
Für die Querregelung wird verglichen, welche Bahn das Auto fahren würde (Istgröße) und welche Bahn das Auto fahren soll (Sollgröße). Zuerst wird die Bestimmung der Sollgröße beschrieben. | Für die Querregelung wird verglichen, welche Bahn das Auto fahren würde (Istgröße) und welche Bahn das Auto fahren soll (Sollgröße). Zuerst wird die Bestimmung der Sollgröße beschrieben. | ||
Bei der Gierrate wurde auf den Ergebnissen der vorangegangenen Semester zurückgegriffen. | |||
Siehe Dazu: | |||
[[Analyse Gierrate]] | |||
===Querführungskonzept=== | ===Querführungskonzept=== | ||
Version vom 18. Dezember 2023, 17:11 Uhr
→ zurück zum Hauptartikel: Praktikum SDE
Einleitung und Ziel
Die Bahnplanung und Spurführung des SDE-Praktikums umfasst die Arbeitsbereiche Bahnplanung, Längs- und Querregelung. Das Ziel ist es mit den Ergebnissen der Objekt und Spurkerkennung und der Kommunikation die Bahnplanung umzusetzen und das CCF durch die Strecke zu führen. Dafür wird aus dem Spurpolynom die zu fahrende Geschwindigkeit und Richtung abgeleitet und an die Aktoren weitergegeben. Um möglichst genaue Ergebnisse zu erzielen, muss die Geschwindigkeit und die Richtung geregelt werden. Für den Hauptantrieb des CCF ist die Längsregelung verantwortlich, für die Lenkung die Querregelung.
Das Thema Längsregelung beinhaltet folgende Aufgaben:
- Messen der Istgeschwindigkeit
- Analyse Istgeschwindigkeitssignal
- Regelung längs
Das Thema Querregelung beinhaltet folgende Aufgaben:
- Analyse Gierrate
- Regelung quer
- Querführungskonzept anhand des Spurpolynoms
- Parametrisierung des Einspurmodells (ESM)
Darüber hinaus gehört das Verhalten an Stopplinien zu den Aufgaben der Bahnplanung.
Hierzu gehören folgende Aufgaben:
- Reduktion der Geschwindigkeit bei erkannter Stopplinie
- Halten in einem Abstand von maximal 15cm vor der Stopplinie
- Warten von mindestens zwei Sekunden an der Haltelinie
- Wiederanfahrt nach erkennen einer freien Kreuzung und Ablauf der Wartezeit
Ehemalige Mitwirkende:
Im Sommersemester 2016 und im Wintersemester 2016/2017 wurde der Themenbereich von Marcus Irmer und Robin Kirsch bearbeitet. Die Dokumentation beruht auf der Vorarbeit von Daniel Block und Torben Petersen. Im Sommersemester 2018 wurde darauf aufbauend die Thematik von Benedikt Wulowitsch und Leonard Herbstmann bearbeitet. In den Anforderungen und auch dem Pflichtenheft für das SoSe 2018 wurde als Aufgabe die Optimierung der Regler vorgesehen. Diese werden im Sommersemester 2019 von Marcel Bröckelmann validiert und die Pflichten fortgeführt. Im Wintersemester 2019/20 befassen sich | ||||| Marcel Bröckelmann,Thomas Miska, Christian und Isaac mit der Bahn- und Spurführung.
Längsregelung
Die Längsregelung des Fahrzeugs erfordert eine exakte Bestimmung der Ist- & Sollgeschwindigkeit. Aus diesem Grund wird im Folgenden das Konzept zur Bestimmung der Istgeschwindigkeit und der Bestimmung der Sollgeschwindigkeit betrachtet.
Konzept zur Bestimmung der Istgeschwindigkeit
Die Geschwindigkeit des CCF wird mithilfe von Hall-Sensoren erfasst. Drei Hall-Sensoren sitzen auf der Motorachse und lösen jeweils einen Interrupt der dSpace Entwicklungskarte DS1104 aus.
Aus der Zeitdifferenz der Interrupts wird die Geschwindigkeit berechnet. Dies wird konkret mit Simulink-Blöcken aus der dSpace RTILib Bibliothek im dem Simulinkmodell CCF_online → SEN - Geschwindigkeit → SEN - Geschwindigkeit - Interrupt_Hall-Sensoren implementiert.

In der S-Function bestimmeGeschwindigkeit wird die Zeit der dSpace Karte DS1104 mit dem Befehl ts_time_read() ausgelesen und die Zeit des letzten Interrupts abgezogen.
Die zurückgelegte Strecke pro Interrupt wird durch die ermittelte Zeit geteilt.
Geschwindigkeitsberechnung
Folgende Werte wurden empirisch festgestellt: Die Geschwindigkeit wird mit der Formel bestimmt. [Wikipedia)] Die Strecke ist bei einer theoretischen Berechnung der Radumfang des CCF. Da sich das Profil des Rades unter Belastung ändert, nehmen wir für den Raddurchmesser an. Der Radumfang ist damit Fehler beim Parsen (Syntaxfehler): {\displaystyle 0,0621m \cdot π ≈ 0,208m } . Der [LRP Vector X12 StockSpec 17.5T] dreht sich 7 mal pro Radumdrehung, dabei werden 43 Hall-Flanken ausgelöst. Die Strecke pro Flanke ist damit .
Konzept zur Bestimmung der Sollgeschwindigkeit
Die Sollgeschwindigkeit des Fahrzeugs wird aus dem Krümmungsradius der Fahrbahn bestimmt, um die Geschwindigkeit in Abhängigkeit der Kurve anzupassen. Die im Online-Modus von der Kamera erfasste Fahrbahn wird mit einer Parabel im Fahrzeug-Koordinatensystem modelliert. Diese ist bestimmt über die drei Koeffizienten a, b und c. Nach der allgemeinen Parabelgleichung ax²+bx+c beschreibt a die Krümmung der Kurve und wird im Block SenKam - Kamera in den Kameraparameter a geschrieben und als Signal SenKam_SpurA_f64 ausgegeben.
Im Offline-Modus wird der Kameraparameter a aus der Position und der Richtung des im Einspurmodell simulierten Fahrzeugs berechnet. Die Parameter ESM_x_I_f64 und ESM_y_I_f64 beschreiben die Position des Fahrzeugs. Die Richtung des Fahrzeugs steht im Parameter ESM_psi_f64. Der SenKam - Kamera-Block des Offline-Modells wird in der Abbildung SenKam - Kamera (offline) dargestellt.
Die Sollgeschwindigkeit wird im Online-Modell und im Offline-Modell im Baustein "Berechnung V-Soll" ermittelt. Die nachfolgende Abbildung 2 zeigt diesen Baustein, sowieso seine Beschaltung mit Parametern. Die Eingänge des Blocks sind die Kameraparameter SenKam_SpurA_f64 und SenKam_SpurB_f64, die Vorausschauweite BsfQuer_Vorausschauweite_f64 und eine maximal zulässige Querbeschleunigung PAR_BsfQuer_a_max. Innerhalb des Subsystems Berechnung V_Soll wird zum einen der Kurvenradius der Bahnkurve in Abhängigkeit der Vorausschauweite berechnet. In Kombinatino mit der Querbeschleunigung und dem aktuellen Kurvenradius wird eine Sollgeschwindigkeit ermittelt, welche am Ausgang des Bausteins abgerufen werden kann.
Die nebenstehende Abbildung zeigt die Programmierung zur Berechnung des Kurvenradius innerhalb des Subsystems. Die Berechnung liegt folgender Formel zur Berechnung eines Krümmungskreises zur Grunde:
Das Kurvenpolynom hat den Grad 2 und lässt sich somit schreiben als:
Durch das zweimalige differenzieren dieses Polynoms ergeben sich folgende Polynome:
Wenn die beiden Ableitungen nun in die vorangegangene Formel zur Berechnung des Krümmungskreises eingesetzt werden, ergibt sich folgende Formel:
Die nachfolgende Abbildung 3 zeigt die Programmierung der hergeleiteten Formel in MATLAB/Simulink. Für Es wurde von der Berechnung der Absolutwert gebildet und an den Ausgangsparameter r weitergeleitet.
Damit aus dem bestimmten Kurvenradius der Fahrbahn eine Sollgeschwindigkeit ermittelt werden kann, wird sich folgender Formel bedient: diese Formel bezieht die maximale Querbeschleunigung mit ein ist in der Abbildung "Berechnung Sollgeschwindigkeit" in Simulink programmiert.
In der nachfolgenden Abbildung 4 ist ein Lookup-Table dargestellt, an welchen eine Konstante angeschlossen ist. Dieser dient dazu, den Sollwert für die Geschwindigkeit zwischen V_Kurve und V_Gerade umzuschalten. Die Konstante kann Werte zwischen Null und Eins annehmen. Die Geschwindigkeit V_Kurve wird mit diesem Faktor verstärkt und die Geschwindigkeit V_Gerade wird mit dem 1-Faktor verstärkt. Sollte sich das Fahrzeug also in einer Kurve befinden, so ist der Wert der Konstante bei 1 und die errechnete Sollgeschwindigkeit für die Kurvenfahrt wird an den Ausgang V_Soll weitergeleitet. Wird hingegen keine Kurve gefahren, so ist die Konstante Null und der feste Wert der Sollgeschwindigkeit für eine Geradeausfahrt wird an den Ausgang übermittelt. Diese Programmierung verhindert das Springen der Sollgeschwindigkeit, sobald aus der Geraden in eine Kurve gelenkt wird, oder andersherum.
Reglerentwurf
Zum besseren Verständnis wurde zusätzlich ein allgemeiner Regelkreis für die Längsführung des Fahrzeuges in Abbildung 5 aufgestellt.

Die Parameter V_Soll und V_IST sind die gewünschte Sollgeschwindigkeit und die tatsächliche Geschwindigkeit des Fahrzeuges. Die Geschwindigkeit wird über ein PWM Signal gesteuert. Erfasst wird sie über eine Hall Sensorik.
In den Regelkreis eingehende Störgrößen beschreiben Problematiken wie Schlupf und verschiedene Haftreibungen der Räder oder Probleme bei der Übersetzung.
Eine detailierte Beschreibung des Regelkreises wird folgend anhand des Simulink-Modells verdeutlicht.
Für den Längsregler wurde ein separates Simulink-Modell angelegt, damit der Regler besser veranschaulicht werden kann. Der Regler besitzt einen P-, I- und D-Anteil. Die Nachfolgende Abbildung 6 zeigt die Testumgebung für den Längsregler
Für die Untersuchung der Regler-Parameter wurde ein Einheitssprung verwendet. Es wurden dabei folgende Feststellungen gemacht.
- Der P-Anteil ist für die Größe des "Einheitssprungs" verantwortlich. Mit größerem P-Anteil stellt sich außerdem ein zunehmendes Überschwingen ein.
- Mit dem I-Anteil werden die Stellgröße und der P-Anteil geglättet, jedoch ist für eine glatte Stellgröße ein sehr hoher I-Anteil erforderlich (größer als 150).
- Durch den D-Anteil kann der negative Ausschlag zu Beginn verringert werden. Mit größerem D-Anteil nimmt die Schwingung der Stellgröße zu.
Die Auswirkungen der Parameter wurden in einer Testreihe untersucht. Die Plots sind im Ordner trunk/Teams/BSF/Bilder Doku/Reglerentwurf zu finden.
Wenn nur ein D-Anteil vorhanden ist, ist die Stellgröße nicht konstant. Im Test wurden für den D-Anteil die Werte [5 15 50] verwendet und der Wert 15 gewählt, weil die Totzeit am geringsten ist. Für größere Werte nimmt sie nicht weiter ab.
Im Test des I-Anteils wurde mit verschiedenen Werten experimentiert, eine konstante Stellgröße wurde erst ab einem Wert von 170 erreicht. Bei kleineren Werten konnte im Plot der Stellgröße noch eine Schwingung wahrgenommen werden.
Sobald der D-Anteil hinzukommt, geht die konstante Stellgröße verloren, jedoch wird der negative Ausschlag verringert. Allerdings kann auch mit einem sehr hohen I-Anteil von 500 die Stellgröße nicht geglättet werden.
Siehe Dazu: Auslegung der Reglerparameter
Längsregelung Wintersemester 2018/19
Im Wintersemester 2018/19 wurde die Längsregelung von einer Steuerung in eine eigentliche Regelung überführt. Vorher wurde die Sollgeschwindigkeit mit einer Verstärkung von "1" verstärkt, und als Ist-Wert ausgegeben, sodass nie eine Regelabweichung existierte. Nun wurde eine Kopplung zwischen dem Ausgang des Reglers und der Ist-Geschwindigkeit geschlossen. Für die Kopplung wurde aus dem Bus das Signal "BsfLaengs_Gaspedal_f64" genommen. Dies ist das Signal, welches vom Ausgang des Längsreglers beeinflusst wird. Dieses Signal hat einen Wertebereich von -1 bis +1. So wurde innerhalb des Lookup-Tables unter "Table data" der Vektor [-1 0 1] angelegt. Als erste Annahme für die Simulation wurde eine Maximalgeschwindigkeit von 0.75 m/s in beide Fahrtrichtungen angenommen. Unterhalb des Punktes "Breakpoints1" im Lookup-Table wurde folgender Vektor eingefügt: [-0.75 0 0.75]. Die nachfolgende Abbildung 7 zeigt den besagten Lookup-Table.
Damit die Regelung nun vollständig ist, wurden die Parameter des Längsreglers angepasst. Die Findung der Parameter fand empirisch statt, sodass nun folgende Parameter gültig sind:
PAR_BsfLaengs_PAnteil_f64 = 5;
PAR_BsfLaengs_IAnteil_f64 = 2;
PAR_BsfLaengs_DAnteil_f64 = 0;
PAR_BsfLaengs_Filter_DAnteil_f64 = 10; % Eckfrequenz des PT1-Filters für den gefilterten D-Anteil
Zum Test des Regelkreises wurde in der nachfolgenden Abbildung 8 eine Sollgeschwindigkeit von 0.6 m/s nach einer Simulationszeit von 10s eingeleitet. Der rote Verlauf stellt den Sprung dar, der grüne Verlauf stellt die Sollgeschwindigkeit dar und der blaue Verlauf soll die Regelabweichung darstellen.

Desweiteren wurde im Wintersemester 18/19 ein Konzept für die Längsführung in verschiedenen Fahrsituationen implementiert.
Zu unterscheiden gilt hierbei zwischen der Geradeausfahrt, der Fahrt in einer Kurve, der Fahrt mit einer Stopplinie, der Fahrt mit Einparkvorgang und der Fahrt mit statischen Hindernissen.
Bei der Fahrt mit dem Einparkvorgang und der Fahrt mit Stopplinie wird die Längsführung jeweils in einem separaten Modell bestimmt.
Die Fahrt auf einer geraden Strecke, in einer Kurve und mit statischen Hindernissen wird in dem Modul zur Bestimmung der Sollgeschwindigkeit (BSFVx_Bestimmung_Sollgeschwindigkeit) gesteuert. Eine Erklärung der Funktionsweise erfolgt anhand der Einstellungen in der start.m Datei (s. unterhalb der Grafik "Listing aus der start.m Datei")

In dem folgenden Listing sind die Zeilen der start.m Datei zu sehen, in welchen Einstellungen der Längsführung vorgenommen werden können.
Durch eine Definition von BsfVx_VxMax_f64 mit einer Geschwindigkeit in m/s kann die maximale Geschwindkeit auf dem Rundkurs in der Simulation eingestellt werden.
Dies erfolgt unter zuhilfenahme des
Saturation-Blocks (s. Grafik "Modul für die Funktion zur Bestimmung der Sollgeschwindigkeit").
Die Definition von BsfVx_Vxhindernis_f64 ermöglicht die Einstellung der Geschwindkeit in m/s, mit welcher sich das Fahrzeug einem Hindernis annähert und ausschert.
Mit dieser Funktion soll das Überprüfen des Fahrverhaltens erleichtert werden, sowie als Vorarbeit für die Fahrt mit dynamische Hindernissen dienen (s. Ausblick).
Schalter_VxVorgabeHindernis dient als Auswahlmöglichkeit, ob die Geschwindigkeit bei einem erkannten Hindernis angepasst werden soll (Schalter_VxVorgabeHindernis = 1) oder nicht (Schalter_VxVorgabeHindernis = 0). Eine Umsetzung dieser Funktionsweise im Modul "BSFVx_Bestimmung_Sollgeschwindigkeit" erfolgt über einen Switch-Block, ebenso wie das Umschalten der Geschwindigkeit bei einem erkannten Hindernis.
Längsregelung Wintersemester 2019/20
Um den Zustand der Längsregelung zu ermitteln, wurde im Wintersemester 2019/20 ein Integrationstest zur Überwachung des Verhaltens auf diverse Einstellungen der Bahnspurparameter "A","B" und "C" durchgeführt.
Der Bahnspurparamter "A" spiegelt die Krümmung der Fahrbahn wieder. Je weiter dieser von 0 entfernt, desto enger wird die Kurve angenommen.
Der Parameter "B" beinhaltet den Winkel zwischen Fahrspur und Fahrzeug. Ist dieser Wert ungleich 0, so befindet sich das Fahrzeug nicht parallel zu den Außenbegrenzungen in der Fahrbahn.
Durch den Spurparameter "C" wird der Abstand des Fahrzeugs zur optimalen Fahrspur dargestellt. Je größer der Wert ist, desto größer ist der Abstand zur optimalen Fahrspur
Die Bahnspurparamter werden in der Offline-Simulation im Kamera-Block manuell modifiziert und die Ergebnisse an den Aktoren mittels eines Scopes ausgelesen.
Durch die Diskussion mit Herrn Thomas Miska wurde folgende Erwartungstabelle erstellt:
| Wert für A | Wert für B | Wert für C | Erwartung Geschw.-Faktor |
|---|---|---|---|
|
0 |
0 |
0 |
X = max |
|
X != 0 |
0 |
0 |
X < max |
|
0 |
X != 0 |
0 |
X = max |
|
0 |
0 |
X != 0 |
X = max |
|
X != 0 |
X != 0 |
X != 0 |
X < max |
(Stand 03.01.2020)
Hierbei ist zu beachten, dass die Bahnspurparamter lediglich einen Wert zwischen -0,5 und 0,5 besitzen dürfen, da diese als gültige Eingaben behandelt werden. Größere Werte werden als ungültig mittels eines Gates behandelt und daher ignoriert.
Des Weiteren beträgt der derzeitige Maximale Geschwindigkeitsfaktor 0.75, da dieser durch eine Variable festgelegt wurde.
Die Durchführung des Integrationstests wurde von Herrn David Reger ordnungsgemäß nach Anleitung durchgeführt und die Resultate im SVN-Verzeichnis im Praktikumsordner unter Testdokumente gespeichert.
Das Ergebnis des Integrationstest ist unter folgendem SVN Link zu finden: SVN: Spurpolynomüberprüfung
Der Test konnte, wie im Dokument beschrieben, erfolgreich durchgeführt werden und die zu erwartenden Parameter wurden erreicht. Hierdurch ist gewährleistet, dass die Verarbeitung der Eingabeparameter, welche in der Online-Simulation durch die Kamera ermittelt werden, korrekt durchgeführt wird, sofern die erwarteten Ergebnisse der richtigen Annahme entsprechen.
Längsregelung Wintersemester 2022/23
Um die Faktoren zu ermitteln, die die Längsregelung beeinflussen, wurden die Parameter zusammengetragen und im Wintersemester 2022/2023 getestet. Bei der Längsregelung ist SenKam_SpurA_f64 der entscheidende Faktor für die Bestimmung von Bsfvx_VxSoll_f64. Die Sollgeschwindigkeit wurde durch Interpolation von Look up ermittelt. Die Parameter Famo_Vxsoll_f64 und SenVx_vx_K_f64 spielen eine Schlüsselrolle bei der Regelung der Geschwindigkeit, und die Istgeschwindigkeit im Vergleich zur Sollgeschwindigkeit wird zur Bestimmung der PID-Regelung der Geschwindigkeit verwendet.

Zudem haben wir uns mit den eigentlichen Geschwindigkeitstests und der Signalanalyse beschäftigt. Die Untersuchung der Ist-Geschwindigkeit erfolgt in folgenden Schritten:
- Die Geschwindigkeit des Wagens wird auf einer Strecke von 2 m und vergleichen Sie sie mit SenVx_trueSpeed_f64 gemessen, um zu sehen, ob sie übereinstimmt.
- Die PID-Signalregelung des Wagens wird analysiert.
- Der Signalwechsel des Trolleys Gaspedal wird analysiert.
Das Fahrzeug hat schon mit Fernbedinung in 4.02s 2M fahren. Die Ist_Geschwindigkeit ist 0.4975 m/s. Es gibt die Abweischung(Die Menschen hat selbst die Geschwidigkeit gemesset, die Felher ist fast 10%) deswegen soll die Bereiche der Ist_Geschwindigkeit von 0.4477 m/s bis 0.5467 m/s

Um die bessere Situation des Fahrens zu beobachten, wird nur P_ Regler eingestellt. P_Anteil = 5; I_Anteil = 0; D_Anteil = 0.

Beim Vorwärtsfahren und Beim Rückwärtsfahren sind die Änderungsrate des Gaspedals und des P-Reglers ähnlich der Änderungsrate der Geschwindigkeit, aber in der Zeit zwischen Ruhephase und Rückwärtsfahren ändern P-Reglers und Gaspedal sich bevorzugt und die Ist-Geschwindigkeit ändert sich erst nach etwa 15 Sekunden.(Ursache : Reaktionszeit der Ist-Geschwindigkeit ist lang)
Um die Reaktionszeiten der Geschwindigkeit zu verkürzen, regeln wir die Werte von P-,I- und D-Anteil.P_Anteil = 4; I_Anteil = 1; D_Anteil = 0.2.

Beim Fahren in der ganzen Strecke wird die Reaktionszeit verkürzt und ist die Änderung der Gaspedal und Ist-Geschwindigkeit immer ähnlicher.
Seiten aus vergangenen Semestern
Bei der Istgeschwindigkeit wurde auf den Ergebnissen der vorangegangenen Semester zurückgegriffen.
Siehe Dazu:
Analyse Istgeschwindigkeit
Querregelung
Für die Querregelung wird verglichen, welche Bahn das Auto fahren würde (Istgröße) und welche Bahn das Auto fahren soll (Sollgröße). Zuerst wird die Bestimmung der Sollgröße beschrieben.
Bei der Gierrate wurde auf den Ergebnissen der vorangegangenen Semester zurückgegriffen. Siehe Dazu: Analyse Gierrate
Querführungskonzept
Die Querführung des Fahrzeuges wird in zwei Bereiche unterteilt. Der erste Aspekt beinhaltet die Bahnplanung, die im Folgenden in ihrer theoretischen Grundlage und der Umsetzung in Simulink dargestellt wird. Die Querregelung wird im Anschluss beschrieben.
Als Grundlage für das Querführungskonzept dient die Sollbahn, die durch das Team OSE - Objekt- und Spurerkennung aufgrund der Analyse der zu fahrenden Strecke mit Hilfe eines Polynoms zweiten Gerades, das durch die Parameter a, b und c eindeutig beschrieben ist, zur Verfügung gestellt wird. (Wichtig: trunk/Anforderungsmanagement/Lastenheft/Schnittstellendokumentation.docx beachten)
Da in dieser Anwendung aufgrund der Geometrie des Fahrzeugs ein Vergleich der Soll- und Ist-Bahn nicht sinnvoll ist, muss ein Punkt auf der Bahn in der Vorausschauweite x prädiziert werden, an dem sich das Fahrzeug bei idealem Lenkwinkel und der aktuellen Geschwindigkeit befinden würde. Der ideale Lenkwinkel kann aber nicht bestimmt werden. Aus diesem Grund muss eine Abschätzung der Querabweichung von der einfachen Geradeausfahrt getroffen werden. Dabei wird der derzeitige Lenkwinkel als Referenz verwendet. Die Regeldifferenz des Querreglers bildet sich somit aus dem Punkt auf der Sollbahn und der prädizierten Positionsabschätzung.
Vorausschauweite
Die Vorausschauweite x wird abhängig von der aktuellen Geschwindigkeit des Fahrzeugs berechnet. Dazu wird eine LUT verwendet, ihre Parameter sind in der Parameterdatei param_BSF.m hinterlegt. Es sind die Werte PAR_BSFQuer_LookupVorausschauweite_Vx_f64 mit aktuell [0 0.5 0.60 2 5] und PAR_BSFQuer_LookupVorausschauweite_X_f64 mit aktuell [0.55 0.55 1 1 3]. Wichtig: Die Kamera mit der nachgeschalteten Bildverarbeitung liefert nämlich nur Ergebnisse für dem Bereich zwischen 0,52 m und 3,23 m vor dem Fahrzeug. Am besten arbeitet das Fahrzeug bei derzeitiger Konfiguration mit 0,8. Aus diesem Grund wurde mit der LUT der Wert auf diesen Bereich begrenzt, die Werte unter bzw. über 0,8 werden nur bei sehr geringer bzw. sehr hoher Geschwindigkeit angenommen. Es besteht aber noch die Möglichkeit auf einen manuellen Wert umzustellen, dies kann in ControlDesk® auf dem Layout BSF_Regelung gemacht werden, vgl. Abbildung Layout BSF_Regelung.
Sollbahnbestimmung
Im Folgenden soll die Bestimmung des Punktes auf der Sollbahn beschrieben werden. Die Bahn wird als ein Polynom zweiten Gerades, einer Parabel, approximiert. Die allgemeine Formel lautet:
Die Abbildung 15 Schema der Sollbahn zeigt die Sollkurve im Fahrzeug-Koordinatensystem. Auch die Lage des Sollpunktes auf der Kurve ist dort qualitativ zu sehen.
Quelle: trunk/Dokumentation/Dokumentation_LaTex/Carolo_Doku_2012.pdf
Die Bestimmung des prädizierten Punktes des Fahrzeuges auf der Ist-Bahn geschieht unter folgender Annahme: Ist der Lenkwinkel des Fahrzeuges gleich Null, existiert zwischen prädiziertem Ist-Punkt und der aktuellen Ausrichtung des Fahrzeuges keine Querabweichung. Fährt das Fahrzeug nicht exakt geradeaus, befindet es sich auf einer Kreisbahn, die bei stationär statischem Lenkwinkel konstant ist.
Der Radius dieser Kreisbahn lässt sich aus der stationären Gierrate und der Geschwindigkeit wie folgt bestimmen:
Die Abbildung 16 Schema der Istbahn zeigt die prädizierte Istbahn im Fahrzeug-Koordinatensystem und den Zusammenhang zwischen Querabweichung y und Vorausschauweite x.
Quelle: trunk/Dokumentation/Dokumentation_LaTex/Carolo_Doku_2012.pdf
Zur Bestimmung der Querabweichung y wird der in der Skizze erkenntliche Zusammenhang zwischen dem Kreisradius r und der Vorausschauweite x verwendet. Dazu muss jedoch zuvor sichergestellt werden, dass die Vorausschauweite kleiner als der Betrag des erechneten Radius ist. Mit dem Satz des Phythagoras kann dann a wie folgt bestimmt werden:
Die Querabweichung y kann aus r und a bestimmt werden, sofern r positiv ist (Linkskurve):
Falls r negativ ist (Rechtskurve), berechnet sich y wie folgt:
Da die Vorausschauweite x unabhängig vom derzeitigen Kurvenradius r bestimmt wird, kann der Ausdruck unter der Wurzel in (3) negativ sein. Weil diese Berechnung unzulässig wäre, wird vorbeugend das Ergebnis der Vorausschauweitenberechnung mit einer Sättigungsfunktion begrenzt, die maximal 80 % des aktuellen Kurvenradius annimmt. Dieser Wert (80 % = 0.8) kann über den Parameter PAR_BSFQuer_VorausschauBegrenzung_f64 eingestellt werden.
Die Querabweichung der Sollbahn und die Querabweichung der Istbahn, jeweils bezogen auf die aktuelle Ausrichtung des Fahrzeuges, ergeben die Regeldifferenz für den Querregler. Aufgrund der Differenz zwischen Sollbahn und Istbahn bringt dieses Konzept eine bleibende Regelabweichung in der Kurve mit sich. Diese ist nur dann Null, wenn das Fahrzeug sich in der Geradeausfahrt befindet.
Siehe dazu: Querreglung Vorarbeiten
Verhalten in der Rechtskurve, sowie Integrationstest der Querregelung
Autor: Thomas Miska
Reglerentwurf
Wie auch bei der Längsführung wurde für die Querregelung zur Übersicht ein allgemeiner Regelkreis aufgestellt. Dieser allgemeine Regelkreis ist in der nachfolgenden Abbildung 17 visualisiert.

Die Parameter LW_Soll und LW_Ist beschreiben den gewünschten Lenkwinkel und den momentan erfassten Lenkwinkel. In den Regelkreis eingehende Störgrößen sind Probleme bei der Übertragung des Stellmotors für den Lenkwinkel. Eine detaillierte Beschreibung zu dem bisherigen Stand des aggierenden Reglers ist unter Querreglung Vorarbeiten zu finden.
Hier kommt noch ein Bild des Regelkreises aus Simulink rein!
In der nachfolgenden Abbildung 18 ist ein Plot dieser Querregelung dargestellt. Es wird oben links die aktuelle Fahrbahn in der Simulation angezeigt. Daneben befindet sich die aktuelle Geschwindigkeit, der Solllenkwinkel und die Gierrate Psi ungefiltert. In den vier Plots in der unteren Reihe befindet sich von links nach rechts der Gierwinkel Psi als Rohwert, allerdings gefiltert. Neben der gefilterten Gierrate ist die eigentliche Regelgröße, also der Lenkwinkel aus dem Einspurmodell in der Einheit Grad/Sekunde dargestellt. Neben diesem Plot befindet sich ein Plot der drei Reglerparameter. Zu Erkennen ist, dass der P-Anteil noch ein leichtes Schwingen hat, was für die Regelung aber nicht weiter kritisch ist. Als letzter Plot unten rechts befindet sich die Querablage des Fahrzeugs.

Offline-Simulation
Um die Straße in der Simulation darzustellen, wird eine Optimalspur manuell erstellt. Diese wird der Simulation übergeben, welche die Fahrbahnmarkierungen im Plot generiert.
Die Bestimmung des Solllenkwinkels erfolgt in der Offline-Simulation im Block "CCF-offline"-->"SEN-Sensoren-offline"-->"SenKam-Kamera"-->MATLAB-Funktion "parabel_voraus". Da in dieser Simulation die optimale Fahrbahn hinterlegt ist, werden Punkte innerhalb eines zuvor definierten Radius in einem Array abgespeichert. Diese werden anschließend durch eine Drehmatrix vom Weltkoordinatensystem in das Fahrzeugkoordinatensystem umgewandelt.Nachdem die Koordinaten transformiert wurden, werden alle Koordinaten mit negativer X-Koordinate herausgefiltert, sodass lediglich Koordinaten, welche sich vor dem Fahrzeug befinden, berücksichtigt werden.

Abschließend wird ein Lineares Gleichungssystem erstellt. Hierzu werden die X Werte in eine Matrix eingebunden. So werden für jeden Punkt eine Spalte in der Form (quadrierter X-Wert, X-Wert, 1) angelegt. Die Y-Koordinaten werden in einem Spalten-Vektor hinterlegt. Um die Parameter "a", "b", "c" ermitteln, wird dieses Gleichungssystem gelöst und an die folgenden Funktionen übergeben.
Diese ermittelten Parameter beschreiben die Fahrbahn bis zur Sichtweite exakt. Hiermit kann nun unter Zuhilfenahme des derzeitigen Lenkwinkels die voraussichtliche Abweichung in Vorausschauweite ermittelt werden und der Lenkwinkel angepasst werden kann.
Die derzeitige Berechnung führt zu einem Fehlverhalten in Linkskurven. Der Ursprung dieses Fehlers konnte derzeit nicht definiert werden. Mögliche Ursachen hierfür kann ein fehlerbehaftetes Einspurmodell oder eine fehlerhafte Berechnung aufgrund von Vorzeichenwechsel sein. Dies muss im Folgenden ausführlich überprüft werden, sodass diese Herausforderung gemeistert werden kann.
Das die Stopplinienerkennung und das Verhalten an Stopplinien wurde aufgrund der Ausführlichkeit der Artikel in die zwei folgenden Artikel verschoben:
Test
BSF - Bahn- und Spurführung: Test der Längsregelung in Simulation und im Fahrzeug
Querregelung WS 21/22
Um den Zustand der Querregelung zu ermitteln, wurde im Wintersemester 21/22 ein Integrationstest durchgeführt. Dieser wurde auf das Online-Modell angewendet. Durch Hinzufügen der Spurparameter im Inbetriebnahme-ControlDesk-Experiment können die Spurparameter zum Testen angepasst werden.
Die Look-Up-Tabelle im Online-Model dient dazu die Reglerausgangsgröße in ein PWM-Signal für den Steuermotor der Lenkung zu übersetzen. Diese Tabelle wurde an den aktuell verbauten Motor angepasst.
Die Querregelung hat zwei wesentliche Eingangsgrößen: Die Spurparameter A, B und C und die Gierrate aus der mit der Geschwindigkeit die Querbalge berechnet wird. Die Spurparameter werden auf dem PC ermittelt und über RS232 an die dSpace-Karte übermittelt. Diese wurden bisher durch einen Tiefpassfilter im Online-Modell gefiltert. Da bei einer Übertragung von NaN der Filter aussteigt, wurde dieser entfernt, um immer ein Signal zu übertragen. Um die Spurparameter besser Auswerten zu können, werde diese jetzt grafisch in dem Inbetriebnahme-Experiment dargestellt.
Die Gierrate liefert keine zuverlässigen Werte. Eine Analyse des Problems konnte den Fehler auf die PCI-Kommunikation zwischen der dSpace-Karte und dem PC eingrenzen. Eine Fehlerbeschreibung findet sich unter: https://svn.hshl.de/svn/MTR_SDE_Praktikum/trunk/Dokumentation/Fahrzeug/dSpace-PCI_Kommunikation.docx
Informationen zum Verbauten Gyrosensor findet man im Artikel Gyrosensor (LPR510AL)
Ergebnis/ Zusammenfassung
Winter 2022/23
- Überprüfen Sie die Ist-Geschwindigkeit des Fahrzeugs.
- Die PID-Regelung wird schließlich auf P:4, I:2 und D:0,1 eingestellt.
- Bei niedrigen Geschwindigkeiten kann das Fahrzeug noch nicht so gut fahren.
Winter 2021/22
- Integrationstests der Querregelung geprüft und angepasst
- Filter des Spurpolynoms in Online-Modell entfernt
- Look-Up Tabelle für den Lenkwinkel angepasst
- Gyroskop und angrenzende Signalkette auf Funktion und Konsistenz überprüft
- Analog-Ports der DS1104 auf Fehler geprüft
- Treiber des Motherboards aktualisiert
- Darstellung des Spurpolynoms in ControlDesk
Winter 2019/20
- Rechtskurvenfahrt offline korrigiert, fehlerfreie Kurvenfahrt in der Offline-Simulation möglich
- Integrationstest zur Verarbeitung von Bahnspurpolynom zu Längs- und Querregelung in der Offline-Simulation erstellt und durchführen lassen (Prüfer: David Reger)
- Integrationstest zur Verarbeitung von Bahnspurpolynom zu Längs- und Querregelung auf dem Online-Modell konzipiert
- Aktualisierung der Wiki-Artikel bezüglich Bahn- und Spurführung
- Ausarbeitung der Offline-Stopplinienerkennung (inklusive CodeReview)
Sommer 2019
- Fehler bei der Rechtskurvenfahrt erkannt, Ursprung scheint Gierraten-Errechnung zu sein (noch nicht behoben)
- PID-Regler wurde durch Nullsetzung von Parametern auf einen P-Regler reduziert
- Stopplinienerkennung wurde teilintegriert (Stopp an Haltelinie, Verlangsamung bei Näherung)
- Erstellung einer Testumgebung für den Stopplinientest (Fahrbahn Nr. 3)
Sommer 2018
- In der Simulation ist die richtige Funktion der Querregelung zu erkennen
- ein Einschwingen des Reglers ist in der Simulation kein Problem in Hinsicht auf das Einhalten der SOLL-Bahn
- Simulink Modelle sind optimiert - Einstellungen des P-,I- und D- Anteils sind ausschließlich in den Parametern vorzunehmen und nicht im Modell selbst
- Längsregelung ist zur Zeit noch inaktiv und ist stattdessen durch eine konstante Geschwindigkeit ersetzt
- Längsregelung ist jedoch in der Simulation funktionsfähig, so wird die Geschwindigkeit in Kurvenfahrten reduziert und auf geraden Strecken wieder erhöht
- Tests auf der Fahrbahn konnten mit dem aktuellen Stand im Sommersemester '18 noch nicht durchgeführt werden
Ausblick
Winter 2022/23
- Das Rückwärtsfahren muss noch Optimierung gemacht werden.
- Die Reaktion von der Änderung der Geschwindigkeit soll schnell machen.
- Das Autonome Fahren sollten in das Test-Programm aufgenommen werden.
Winter 2021/22
- Simulink-Filter der Spurparameter liefert keine Ausgabewerte, Notwendigkeit eines Filters muss am Online-Modell getestet werden
- Analoge Gyro-Sensor Werte sind ab der seriellen Schnittstelle fehlerhaft, derzeitige Vermutung liegt auf Versionsunterschieden der PCI Schnittstelle von PC und dSpace-Karte, konnte aber noch nicht bestätigt werden
- Alternativen zur Überbrückung der Kommunikationsprobleme zwischen dSpace-Karte und PC müssen ermittelt werden (Anderer Mikrocontroller, anderer PC, ...)
Winter 2019/20
- Die Stopplinienerkennung weist derzeit diverse Ausnahmefälle auf, diese müssen abgedeckt werden, oder ein neuer Ansatz zur Stopplinienerkennung entwickelt werden
- Das Verhalten für dynamische und statische Objekte in der Offline-Simulation muss überprüft und überarbeitet werden, da in jedem Fall Objekte überholt werden, ungeachtet der Situation auf der Gegenfahrbahn.
- Die Ermittlung des Bahnspurpolynoms in der Offline-Simulation muss überprüft werden, da derzeit bei der berechnung auch vertikal zur Fahrtrichtung liegende Fahrbahnen mit eingerechnet werden und ein Fehlverhalten des Fahrzeugs verursacht.
- Das Verhalten für dynamische und statische Objekte in der Online-Simulation kann nach Inbetriebnahme eines LiDARs und der Verarbeitung der Messdaten konzipiert und implementier werden.
Sommer 2019
- Die implementierten Funktionen zu Haltelinien und das angepasste Spurverhalten müssen durch weitere Personen überprüft werden.
- Das Spurverhalten in Linkskurven sollte korrigiert werden. Hierfür muss von einem Team analysiert werden, wodurch dieses Fehlverhalten hervorgerufen wird.
- Das Stopplinienverhalten besitzt zurzeit keine Wiederanfahrt oder eine Messung der Haltezeit. Diese Funktionen können im Folgesemester implementiert werden.
Winter 2018/19
- Die Bestimmung der Ist-Geschwindigkeit könnte durch ein PT1 Glied, was das reale Verhalten des Autos wiederspiegelt modelliert werden. Dies würde eine noch höhere Modellgenauigkeit mit sich bringen.
- Es wurde eine Anpassung der Längsführung in verschiedenen Fahrsituationen. So wird nun die Geschwindigkeit auf einem Rundkurs mit Hindernissen in der Simulation bei einem erkannten Hindernis angepasst. Das Fahrzeug passt nun seine Geschwindigkeit der eingestellten Vorgabe bei einem erkannten Hindernis bis zum Ausschervorgang an, dieses Verhalten kann bei einer Fahrt mit dynamischen Hindernisssen genutzt und erweitert werden um ...
- 1. ... vor dem Überholvorgang zu überprüfen ob die Gegenspur einen Überholvorgang zulässt.
- 2. ... nach dem Ausscheren zu überprüfen ob ein Überholvorgang möglich ist.
Sommer 2018
- Bisher konnten die Regler nur in der Simulation getestet werden, im kommenden Wintersemester wird ein Test auf der Fahrbahn erfolgen, sodass verfiziert werden kann, dass die in der Simulation gewählten Reglerparameter sich auch in der Praxis bewähren. Sollte sich heraussstellen das eine Nachoptimierung erforderlich ist, so wird dies auch im kommenden Wintersemester erfolgen.
- Das neu eingebaute Konzept zur Bestimmung der Sollgeschwindigkeit wird im kommenden Wintersemester auf der Fahrbahn erprobt. In der Simulation erwies sich die Berechnung anhand der Kameraparameter als sehr vielversprechend. Das Finetuning dieser Berechnung erfolgt ebenfalls im kommenden Wintersemester.
Sommer 2017
- Feinjustierung der Parameter der Längsregelung am Fahrzeug
- Nach der Parametrisierung des Einspurmodells Querregler im Simulations-Modell auslegen
- Wenn Auslegung Querregler in Simulation erfolgreich, dann Feinjustierung am Fahrzeug
- Messung der Gierrate mit neuem Gierraten-Sensor
- Auslegung des ESM durch Justierung der Größen J, cv und ch
- Implementierung des Konzepts für Hindernisumfahrung in der Online-Simulation
Winter 2017
- Reglerparameter für Querregelung anpassen, sodass Regler schneller reagiert (enge Kurven, Hindernisse), dann Fahrgeschwindigkeit erhöhen
- Vorausschauweite lässt sich evtl. noch verbessern
- evtl. Sonderregelung für Querreglung bei erkannter Stopplinie: für eine feste Streckenlänge geradeaus fahren; dadurch lassen sich die Lücken auf der Kreuzung einfach kompensieren; Absprache mit Kamera-Team/Bildverarbeitung notwendig
- Implementierung des Konzepts zum Anhalten an Stopplinien
- in Hindernisumfahrung eigene Signalaufbereitung entfernen, Objektliste aus Signalaufbereitung verwenden, vgl. Vorarbeit
- Hindernisumfahrung in Simulation anpassen, dann auf AMR testen
- Kalman-Filter für Streckenverlauf, vgl. Vorarbeit; Absprache mit Kamera-Team/Bildverarbeitung notwendig
Weitere Artikel zum Längsregelung und Querregelung
Sommersemester 20
Wintersemester 20/21
Einzelnachweise
Autor: Nils Brunnert
Überarbeitet: Daniel Block und Torben Petersen im Sommersemester 2014 und Wintersemester 2014/2015
Überarbeitet: Marcus Irmer und Robin Kirsch im Sommersemester 2016 und Wintersemester 2016/2017
Überarbeitet: Benedikt Wulowitsch und Leonard Herbstmann im Sommersemester 2018 und Wintersemester 2018/19
Überarbeitet: Marcel Bröckelmann im Sommersemester 2019
Überarbeitet: Thomas Miska im Wintersemester 2019/20
→ zurück zum Hauptartikel: Praktikum SDE