ArduMower: Simulation der Kinematik eines Fahrzeugs mit drei Rädern

Aus HSHL Mechatronik
Zur Navigation springen Zur Suche springen
Skizze eines 3-rädrigen Fahrzeugs mit Geschwindigkeiten, Ortsvektoren und Koordinatensystemen zur Herleitung des kinematischen Fahrzeugmodells.

Autor: Prof. Dr. Mirek Göbel


Einleitung

Dieser Artikel beschreibt den Aufbau eines Simulationsmodells für ein dreirädriges Fahrzeug, um dieses für die Entwicklung von Steuerungs- und Regelungsalgorithmen zum autonomen Fahren zu verwenden. Damit stellt es die Basis dar, um ohne Hardware die Algorithmen in einer closed-loop-Simulationsumgebung entwickeln und vor allem testen zu können. Der Anstoß zur Entwicklung dieses Modell lieferte das Projekt "ArduMower", in dem der Kollege Prof. Schneider und der Autor dieses Artikels mit Studierenden gemeinsam einen autonomen Rasenmäher entwickeln, siehe [[1]].

Das systematische Vorgehen bei der Entwicklung des Modells orientiert sich am V-Prozessmodell.

Anforderungen

ID Inhalt Ersteller Datum Geprüft von Datum
1 Das Fahrzeugmodell muss die Kinematik des als starr angenommenen Fahrzeugkörpers beschreiben. Prof. Göbel 07.06.2017 Prof. Schneider 08.06.2017
2 Das Fahrverhalten muss unter der Annahme korrekt abgebildet werden, dass die Räder schlupffrei abrollen. Prof. Göbel 07.06.2017 Prof. Schneider 08.06.2017
3 Am Eingang werden die Längsgeschwindigkeiten entlang der x-Achse des Fahrzeugkoordinatensystems K der Räder rechts (R) und links (L) vorgegeben. Prof. Göbel 07.06.2017 Prof. Schneider 08.06.2017
4 Am Ausgang müssen
  1. die Position und Geschwindigkeit des Mittelpunktes M und des frei definierbaren Punktes D in x- und y-Richtung des Inertialsystems I
  2. der Gierwinkel
  3. und die Gierrate

zur Verfügung stehen.

Prof. Göbel 07.06.2017 Prof. Schneider 08.06.2017
5 Das Modell muss in Matlab/Simulink erstellt werden. Prof. Göbel 07.06.2017 Prof. Schneider 08.06.2017
6 Die Rechnung des Modells erfolgt mit diskreten Zeitschritten (es sind diskrete Integratoren zu verwenden). Prof. Göbel 07.06.2017 Prof. Schneider 08.06.2017
7 Die Dokumentation muss auf Basis der Mehrkörpersystemeberechnung leicht nachvollziehbar erfolgen. Prof. Göbel 07.06.2017 Prof. Schneider 08.06.2017
8 Bei der Simulation muss eine graphische Ausgabe der Position und Richtung des Fahrzeugs in x- und y-Koordinaten des I-Systems erfolgen. Prof. Göbel 07.06.2017 Prof. Schneider 08.06.2017
9 Die Signalnamen müssen gemäß nebenstehender Abbildung gewählt werden. Prof. Göbel 07.06.2017 Prof. Schneider 08.06.2017
Schnittstellen für die Modellierung eines 3-rädrigen Fahrzeugs mit Geschwindigkeiten, Ortsvektoren und Koordinatensystemen.


Funktionaler Systementwurf / Technischer Systementwurf

Bei der Größe des zu erstellenden Modells werden die Schritte Funktionaler Systementwurf / Technischer Systementwurf des V-Modells zusammen gelegt und bereits Schnittstellen zwischen den einzelnen Blöcken definiert.

Das Fahrzeugmodell wird unterteilt in

  • ein Block "Gieren und Geschwindigkeit in Achsmitte", in dem die Position und Geschwindikeit der Punkte M und D in Fahrzeugkoordinaten K bestimmt werden.
  • und zwei Blöcke "Transformation und Integration Punkt M/D", in denen Position und Geschwindikeit der Punkte M und D in Inertialkoordinaten I bestimmt werden.
Funktionaler Systementwurf für die Modellierung eines 3-rädrigen Fahrzeugs mit Geschwindigkeiten, Ortsvektoren und Koordinatensystemen.

Komponentenspezifikation

Das Modell wird insgesamt als Komponente aufgefasst, d. h. die einzelnen Blöcke aus dem Systementwurf werden als Bestandteil der Komponente "Fahrzeugmodell" definiert. An dieser Stelle wäre es selbstverständlich möglich, die Komponente weiter aufzuteilen (damit würde die Komponente in Teilsystem umbenannt) und auch beim Testen diese einzelnen Komponenten dann zu berücksichtigen.

Die Spezifikation besteht aus den theoretischen Grundlagen zur Beschreibung von der ebenen Fahrzeugbewegung.

Ansatz

Bei der Bestimmung der Geschwindigkeit in M wird mit dem Satz "räumliche Bewegung" die bekannte Geschwindigkeit in R, der Relativdrehvektor der Koordinatensysteme K gegenüber I sowie der Ortsvektor zwischen R und M verwendet (siehe [1]):

vM=vR+IKω×rRM

Im körperfesten Koordinatensystem K beschrieben folgt eine Beschreibung, in der jeder Term selbst 3 Komponenten (x, y, z) enthält und mit denen jetzt im jeweiligen Koordinatensystem gerechnet werden kann (das ging bei der vektoriellen Schreibweise oben noch nicht!).

Kv_M=Kv_R+KIKω_×Kr_RM


x-y-z-Komponenten einsetzen und Geschwindigkeit in M bestimmen

Mit den eingetragenen Komponenten sieht die Gleichung wie folgt aus:

Kv_M=[vRx00]+[00ψ˙]×[l/2b/20]=[vRb/2ψ˙l/2ψ˙0]

Bestimmung der Gierrate

Zur Bestimmung der Gierrate wird obiger Ansatz erneut verwendet, um von der bekannten Geschwindigkeit in R auf die ebenfalls bekannte Geschwindikeit in L "zu schließen", sodass der Relativdrehvektor der Koordinatensysteme K gegenüber I in K-Koordinaten bestimmt werden kann (jetzt mit Komponenten besser Spaltenmatrix genannt: KIKω_). Es folgt:

Kv_L=Kv_R+KIKω_×Kr_RL.

Mit eingesetzten Komponenten ergibt sich im körperfesten System K:

[vLx00]=[vRx00]+[00ψ˙]×[0l0]=[vRx+bψ˙00].

Aus Zeile 1 der obigen Gleichung kann die Gierrate (selbstverständlich im körperfesten System K) mit nachstehendem Zusammenhang ermittelt werden.

vLx=vRx+bψ˙

Umgestellt folgt daraus:

ψ˙=vRxvLxb

Position der Punkte M und D in Inertialkoordinaten

Um die Position des Punktes M in Inertialkoordinaten zu berechnen, wird seine Geschwindigkeit in Intertialkoordinaten I benötigt, da diese dann durch eine einfache Integration in die Position überführt werden kann. Im körperfesten System ist dies nicht erlaubt bzw. möglich, da dieses sich dreht! Mit Hilfe einer Transformationsmatrix kann diese Umrechnung in einem Schritt erfolgen.

Iv_M=IKAKv_M=[cosψsinψ0sinψcosψ0001]Kv_M


Der über den Ortsvektor rRD von R nach D beliebig wählbare Punkt D kann genauso wie oben der Mittelpunkt M behandelt werden. Die Gleichungen in Kurzform dazu sind wie folgt.

vD=vR+IKω×rRD

Im körperfesten Koordinatensystem K beschrieben folgt eine Beschreibung, in der jeder Term selbst 3 Komponenten (x, y, z) enthält und mit denen jetzt im jeweiligen Koordinatensystem gerechnet werden kann (das ging bei der vektoriellen Schreibweise oben noch nicht!).

Kv_D=Kv_R+KIKω_×Kr_RD

Das Ergebnis für D lautet:

Kv_D=[vRxrRDyψ˙rRDxψ˙0] mit dieser zuvor ausgemessenen Spaltenmatrix Kr_RD=[rRDxrRDy0].


Programmierung

Die Programmierung erfolgt in Matlab/Simulink.


Matlab

Über ein Start-Skript werden alle relevanten Parameter gesetzt und das Modell geöffnet.

%%%
%%% Simulation des Ardumower-Fahrzeugs
%%%
%%% Prof. Mirek Göbel, 08.06.2017

%% Initialisierung
clc; clear; close all;


%% Einstellungen
PAR_Darstellung_Schalter_EIN_bit = 1;
Simulinkmodus = 1;
addpath ../Hauptprogramm/funktionen/;
addpath ../Hauptprogramm/libraries/;
addpath ../Hauptprogramm/parameter/;


%% Parameter
PAR_FZG_spurweite_f64 = 0.4; % in m
PAR_FZG_radstand_f64 = 0.4; % in m
PAR_FZG_abstand_sensor_VA_f64 = 0.23; % Abstand des Perimeter-Sensors von der Vorderachse in m
T = 0.01; % Schrittweite für die Simulation (gilt für das ganze Modell)
PAR_VIS_Anzahl_Schritte_n = 10; % Angabe, alle wieviel Schritte etwas dargestellt werden soll

% Startwinkel
PAR_FZG_psi0_I_f64 = 0; % Start-Gierwinkel in rad
cospsi =  cos(PAR_FZG_psi0_I_f64); % zur Abkürzung / Vermeidung von Schreibarbeit (s. u.)
sinpsi =  sin(PAR_FZG_psi0_I_f64); % zur Abkürzung / Vermeidung von Schreibarbeit (s. u.)

% Startweg des Mittelpunktes M
PAR_FZG_x0_I_f64 = 0; % Start-x-Weg in m
PAR_FZG_y0_I_f64 = 0.5; % Start-y-Weg in m


% Startweg des Punktes D
r_MDx_K = PAR_FZG_radstand_f64/2 + PAR_FZG_abstand_sensor_VA_f64;
r_MDy_K = PAR_FZG_spurweite_f64/2 + 0;
PAR_FZG_xD0_I_f64 = PAR_FZG_x0_I_f64 + cospsi*r_MDx_K + sinpsi*r_MDy_K; % Start-x-Weg des Punktes D in m
PAR_FZG_yD0_I_f64 = PAR_FZG_y0_I_f64 - sinpsi*r_MDx_K + cospsi*r_MDy_K; % Start-y-Weg des Punktes D in m


%% Modell auf!
open('fahrzeugmodell2017a.slx');

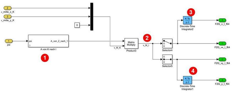
Simulink

Simulink-Modell zur Bestimmung der Gierrate und körperfesten Geschwindigkeit in den Punkten M und D
Simulink-Modell zur Bestimmung der Gierrate und körperfesten Geschwindigkeit in den Punkten M und D

Komponententest

Da es sich bei dieser Entwicklung um die einer einzelnen Komponente handelt, schließt der Komponententest mit dem Testbericht die Entwicklung ab.

ID Testfallbeschreibung Eingang KvLx[m/s] Eingang KvRx[m/s] Erwartetes Ergebnis Testergebnis Testperson Datum
1 Das Fahrzeugmodell steht. 0 0 Alle Ausgänge sind Null. OK Prof. Göbel 10.06.2017
2 Das Fahrzeugmodell fährt eine Rechtskurve. 1 0 Rechtskurve: Negative Gierrate, negativer Gierwinkel. OK Prof. Göbel 10.06.2017
3 Das Fahrzeugmodell fährt eine Linkskurve. 0 1 Linkskurve: Positive Gierrate, positiver Gierwinkel. OK Prof. Göbel 10.06.2017
4 Das Fahrzeugmodell fährt geradeaus. 1 1 Keine Gierrate und Gierwinkel, KvM=KvL=KvR. OK Prof. Göbel 10.06.2017

Als Abschluss zeigt die letzte Abbildung dieses Artikels eine Ergebnisdarstellung der Fahrzeugbewegung in I-Koordinaten (Draufsicht).

Ergebnisdarstellung für die Modellierung eines 3-rädrigen Fahrzeugs in einer x-y-Draufsicht

Fazit

Das Modell ist fertig und funktioniert wie gewünscht! Somit ist die Entwicklung von Algorithmen möglich, ohne ein Fahrzeug in Hardware zur Verfügung zu haben. Dadurch eröffnen sich ernorme Möglichkeiten wie z. B. simultanes Entwickeln, automatisiertes Testen, simulative Auslegung von Reglern u. s. w.!

Literaturverzeichnis

  1. M. Göbel: Formelsammlung Mehrkörpersysteme und Robotik, HSHL, Version 29.06.2017



→ zurück zum Hauptartikel: Projekt ArduMower