BSF - Längsregelung

Aus HSHL Mechatronik
Zur Navigation springen Zur Suche springen

Autor: Alessio Cebeci
Betreuer: Prof. Schneider


Einleitung

Dieser Artikel beschreibt den Aufbau der Längsregelung des Carolo Cup Fahrzeugs. Im Verlauf des Artikels, sollen Einblicke in die Anforderungen und Pflichten folgen, sowie eine Erläuterung der Herangehensweise an die Aufgabenstellung. Das Projekt ist im Rahmen des Semesterpraktikums der Mechatronik Studenten erschaffen worden und wird fortlaufend von Jahrgang zu Jahrgang weitergereicht und entwickelt.


Anforderungen

Im Projekt "Carolo Cup Fahrzeug" besteht ein Lastenheft, welches verschiedene Anforderungen schriftlich festhält. Jedes Team ist verpflichtet die für ihren Bereich geltenden Anforderungen zu übernehmen. Die Längsregelung ist hierbei ein Teil der REQ10.2300.

Abbildung 1: Anforderung an die Längsregelung




Pflichtenheft

In der Abbildung 2, sind die Pflichten für die Längsregelung festgehalten die zu Meilenstein 1 am 14.05.2020 zu erledigen sind.

Abbildung 2: Pflichten für die Längsregelung




Testumgebung


Überprüfung Modul: Bestimmung Sollgeschwindigkeit


Vergleich des Moduls | Bestimmung Sollgeschwindigkeit

In diesem Abschnitt werden im folgendem, die Ergebnisse und Änderungen des Simulink Modells vorgestellt. Die Nachfolgenden Abbildungen zeigen das Modell vor der Überprüfung und nach der Überprüfung / Überarbeitung.
- Vorher Bild -

Abbildung 4: Modul Bestimmung Sollgeschwindigkeit nach der Überarbeitung




Vergleich der Signalverläufe

In diesem Abschnitt werden die Signalverläufe vor der Überprüfung und nach der Überarbeitung verglichen. Bei beiden nachfolgenden Auszügen aus der Simulationsumgebung sind drei Grafen zusehen die unterschiedliche Signale darstellen. Die Signale sind in den jeweiligen Grafen beschriftet und sind in Abbildung 3 und 4 zu finden.

Abbildung 5: Signalverlauf vor der Überprüfung


Wie in Abbildung 5 bei Signal SenKam_SpurA_f64 zusehen ist, befinden sich im Bereich 31 bis 36 und 63 bis 67 auf der x Achse (T für Zeit) Störungen, die durch die Überfahrt der Kreuzung entstehen. Durch die fehlende mittlere Fahrbahnmarkierung, kommt es zu Fehlern bei der Berechnung der Kurvenkrümmung im Modul Spurerkennung. Die Auswirkung dieser Störung sind ebenfalls im Signal BsfVx_VxSoll_unfilt_f64 zu beobachten. Letztendlich ist auch nach der Filterung mit einem Tiefpass im dritten Signal keine Verbesserung der Störung zu entnehmen.

Abbildung 6: Signalverlauf nach der Überarbeitung



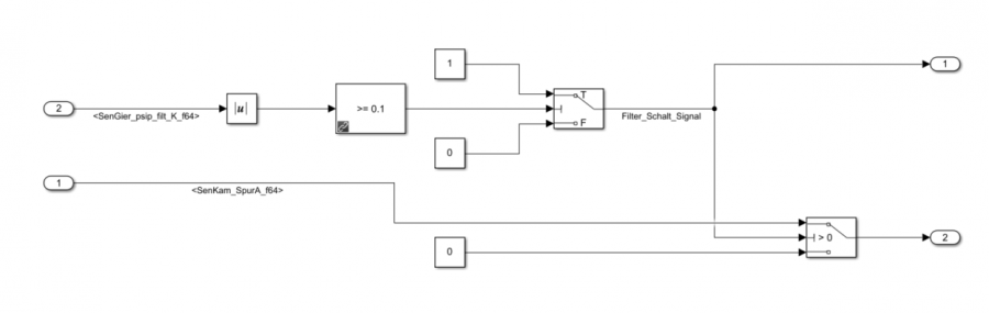
Konzept des Filters

Abbildung 7: Implementierung des Filter Moduls
Abbildung 8: Signalverlauf des neuen Filters


Überprüfung Modul: Regelung der Soll Geschwindigkeit

In diesem Kapitel geht es um die Überprüfung und Überarbeitung des Moduls "Regelung der Soll Geschwindigkeit". Dazu folgt zunächst ein Vergleich des Aufbaus des Simulink Modells vor der Überprüfung und nach der Überarbeitung. Anschließend werden die wichtigsten Signale miteinander verglichen. Des Weiteren werden die alten und neuen Parameter des Reglers erläutert. Zum Schluss folgt ein Beitrag über die Windup-Problematik, da sich im Regler ein I-Anteil befindet.

Vergleich des Moduls | Regelung der Sollgeschwindigkeit


- Vorher Bild einfügen -

Abbildung 9: Längsführungsregler nach der Überarbeitung




Vergleich der Signalverläufe

Als nächstes werden die Signalverläufe des Reglers für die Längsregelung vorgestellt. Dazu werden die beiden folgenden Abbildungen betrachtet, die zum einen den Signalverlauf vor der Überprüfung und nach der Überarbeitung darstellen.

Abbildung 10: Signalverlauf des Reglers vor der Überprüfung


Bei genauerer Betrachtung von Abbildung 10 ist zusehen, dass die Soll Geschwindigkeit (Famo_VxSoll_f64) und die Ist Geschwindigkeit (SenVx_vx_K_f64), zum Teil noch nicht ganz optimal verlaufen. Die Differenz der beiden Signale, sind im Signal (BsfLaengs_ReglerDiff_f64) zu finden. Des Weiteren befindet sich das Signal (BsfLaengs_Gaspedal_Soll_f64) für die Gaspedal Ansteuerung in der Darstellung.

Abbildung 11: Signalverlauf des Reglers nach der Überarbeitung


Die Abbildung 11 zeigt den Signalverlauf nach der Überarbeitung und Einstellung von neuen Parametern für den Regler. Hierbei ist die Regeldifferenz (BsfLaengs_RegelDiff_f64) halbiert worden.


Vergleich der Parameter des Reglers

Wie im letzten Abschnitt angedeutet, sind die Parameter des Reglers neu bestimmt worden. Die nachfolgende Tabelle zeigt hierbei die vorher und nachher Werte der Parameter des Reglers.

Regler Wert für P-Anteil Wert für I-Anteil Wert für D-Anteil

Vorher

5

2

0

Nachher

11

5

0

(Stand 10.05.2020)

Überprüfung der Windup-Problematik durch I-Anteil im Regler