BSF: Bahnregelung quer
Autoren: Can Nen, Yunkai Lin
Betreuer: Prof. Schneider, Prof. Göbel, Marc Ebmeyer
Inbetriebnahme
Einleitung
In diesem Artikel werden die genauen Schritte des Wintersemesters 23/24 erläutert werden. Dazu wird der Ist-Zustand des Fahrzeugs ermittelt und das BSF-Quer auf deren Funktion geprüft.
BSF:Bahnregelung quer Parametern
In diesen Abschnitt werden die relevante Parameter überprüft und relevante Bemerkung notiert.
Spurparameter ABC zu zeigen
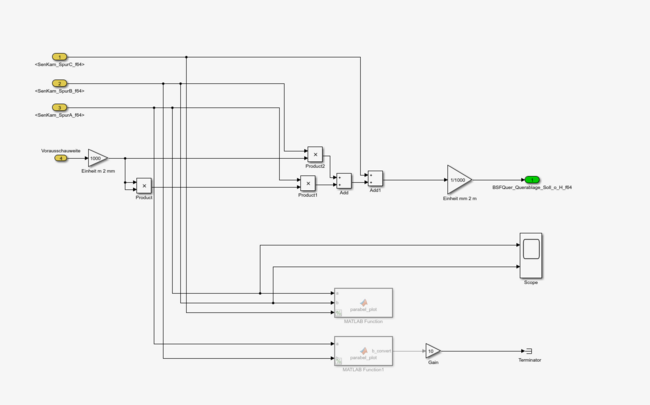
Durch den Messenprogramm OSE_Draufsicht_Spurpolynom_RS232.exe werden den Spurparameter ABC berechnen. Zuerst haben wir festgestellt, dass das Spurpolynom y=ax^2+bx+c, wobei x Vorausschauweite ist. deshalb ist es notwendig, die Spurparameter A B C in den Polynomen zu messen, damit die Spurpolynom bestimmt werden kann. und danach werden durch den Darstellungskript die Testergebnisse zu zeigen.
Simulink aktuallisierung
Durch Nachprüfung im Simulink-Modul haben wir auch festgestellt, dass die Einheit von x der Meter ist. Und das Endergebnis C, das sich auf dem Verfahren zur Messung von ABC ergibt, wird in Millimeter angegeben.
Nützliche Links
→ zum Artikel BSF-Querreglung:BSF-Querreglung
