BSF: Bahnregelung quer: Unterschied zwischen den Versionen
Zur Navigation springen
Zur Suche springen
Keine Bearbeitungszusammenfassung Markierung: Manuelle Zurücksetzung |
Keine Bearbeitungszusammenfassung |
||
| Zeile 9: | Zeile 9: | ||
= BSF:Bahnregelung quer Parametern = | = BSF:Bahnregelung quer Parametern = | ||
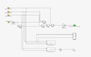
[[Datei:Screenshot BSFQuer - Querfuehrung - Sollvorgabe ohne Hindernis(Neu).png|mini]] | |||
In diesen Abschnitt werden die relevante Parameter überprüft und relevante Bemerkung notiert. | In diesen Abschnitt werden die relevante Parameter überprüft und relevante Bemerkung notiert. | ||
= Nützliche Links = | = Nützliche Links = | ||
→ zum Artikel BSF-Querreglung:[[BSF-Querreglung]] | → zum Artikel BSF-Querreglung:[[BSF-Querreglung]] | ||
Version vom 2. November 2023, 10:54 Uhr
</ref></ref></ref>Autoren: Can Nen, Yunkai Lin
Betreuer: Prof. Schneider, Prof. Göbel, Marc Ebmeyer
Inbetriebnahme
Einleitung
In diesem Artikel werden die genauen Schritte des Wintersemesters 23/24 erläutert werden. Dazu wird der Ist-Zustand des Fahrzeugs ermittelt und das BSF-Quer auf deren Funktion geprüft.
BSF:Bahnregelung quer Parametern

In diesen Abschnitt werden die relevante Parameter überprüft und relevante Bemerkung notiert.
Nützliche Links
→ zum Artikel BSF-Querreglung:BSF-Querreglung